The JS1003 joystick is a robust and durable single axis joystick for use in harsh environments and is available in two standard options.
Option 1 Spring return to centre.
Option 2 Friction clutch.
Both versions are fitted with a dual 5K centre tapped potentiometer giving 0 ñ 100% command at the wiper. Potentiometer life is 10,000,000 operations. A dual axis version is also available with gated or free axis movement options to special order.


Additional Output Options

Option 1 above can also be supplied with a fully encapsulated voltage to current converter which will accept a 24V supply and give a 0-20mA output into a 200R load. This option is ideal for use when using long cable runs between the Joystick and proportional controller.

Option 2 above can be supplied fitted with a fully encapsulated single output 12V or 24V PWM proportional controller. In this mode the joystick will give a 0% output at one extreme and 100% output at the other. The I min and I max currents can be adjusted via potentiometers on the rear of the unit as can frequency and ramp time.

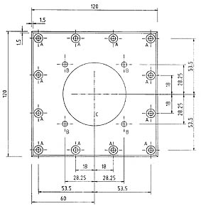
There is an optional aluminium fitting plate available with a black stove enamel finish.

Joystick Specifications
Potentiometer Conductive plastic with centre tap, linear characteristic 2 X 5K Ohm 1watt wiper current 1mA.
Resistant to Oil, maritime climate, ozone and UV radiation.
Operating temp -40 to +60 deg C
Protection IP 54 IEC 529 DIN 40050

Joystick Dimensions

Mounting plate dimensions

 

XPRO Products:
804 Power Saver | 704 Soft Start | JS1001 Joystick | JS1002 Joystick | JS1003 Joystick | 900 Plug Top Drivers
CONSULTANCY | CONTACT US | EMAIL | HOME